5. GIGABYTE GA-H55-UD3H. Detalles III. Chips Integrados. Pruebas. Tecnologías Empleadas
GIGABYTE GA-H55-UD3H. Chips Dual Bios
Posee la tecnología Dual BIOS, con doble chip para albergar una BIOS principal y otra de respaldo para restauración. Esta placa base viene equipada con la BIOS tipo Award. La placa base nos vino con la revisión de BIOS F7, fechada a mediados del 2010. Actualmente tenemos actualizaciones de la BIOS que van desde la F1 (principios del 2010) hasta la F10 (finales 2010), que como sabéis van añadiendo funcionalidad con nuevos procesadores de Intel así como pequeñas correcciones de bugs, compatibilidades con RAM, etc.
GIGABYTE GA-H55-UD3H. Chip ATA IT8213F
Este chip se encarga únicamente de abastecer el puerto ATA a 133. Suponemos que poco a poco irá desapareciendo de las placas base.
GIGABYTE GA-H55-UD3H. Chip Flopy-COM-PS2 ITE IT8720F
Este otro chip se encarga de la gestión del puerto Floppy interno, del puerto COM interno y del puerto mixto PS2 del panel trasero. Estos chips se resisten todavía a desaparecer, robando protagonismo todavía a los puertos USB y SATA. Suponemos que es cuestión de tiempo que vayan retirándose, ya que su rendimiento está ya obsoleto comparado a las capacidades actuales de otras tecnologías.
GIGABYTE GA-H55-UD3H. Chip Audio Realtek ALc889
Respecto al apartado sonoro, posee el famoso chip de alto rendimiento de Realtek ALC889, con 7.1 canales de audio independientes para una reproducción rica de sonido envolvente. Además, posee 2 canales independientes de audio en estéreo a parte de los 7.1. Es evidente que no tendrá la calidad de una tarjeta de sonido dedicada, pero suficiente para los menos puristas.
GIGABYTE GA-H55-UD3H. Chip LAN Realtek RTL8111D
En el apartado LAN tendremos un controlador Gigabit Ethernet con combinación de triple velocidad IEEE 802.3 para MAC y para transferencia a través del controlador del bus PCIe 1.1. Con él podremos configurar una velocidad de transferencia de 10, 100 o 1000 Mbps.
Pruebas
GIGABYTE GA-H55-UD3H. Chip Realtek RTM885N-914
Por último, destacamos el chip Realtek RTM885N-914 que controla la gestión del clock y de los voltajes de la CPU, para poder realizar cambios y por tanto hacer cierto overclock.
Hemos realizado unas pequeñas pruebas de oceo con memoria RAM DDRIII 1666 de Muskin y con el procesador Intel i3-2100 de 2 núcleos, con un TDP máximo de 65W, alcanzando un 19% más de rendimiento, funcionando a 3.7Ghz de forma estable (3.1GHz de fábrica). No hemos tenido intención de forzar más, aunque parece capacitada para ello. No obstante, entendemos que este producto no está pensado para practicar elevado overclock, y el procesador tampoco está para muchos trotes. A pesar de ello, la BIOS de la placa base, no escatima en funciones para practicarlo.
Respecto a la gráfica integrada, se comporta correctamente con la combinación de este procesador, siendo uno de los procesadores actuales más bajos de Intel. A pesar de ello, está capacitado para Intel HD Graphics, demostrando su capacidad para reproducción de contenido en HD con fluidez. De todas formas hemos probado otras soluciones distintas, donde su rendimiento es similar en una gráfica integrada en la placa, o incluso superior. No esperemos rendimiento elevado para gráficos 3D, y solo podremos jugar a ciertos títulos con resoluciones medias con pocos FPS y con poco filtrado. Está claro que para ello tendremos que echar mano a una tarjeta gráfica dedicada, a través del PCIe x16.
De todos modos, si no echamos mano a una gráfica dedicada, creemos que es una solución muy buena para un HTPC de grandes dimensiones o para un PC que se use para navegar y de consulta, con contenido HD y para buena reproducción de audio. Todo dependerá de lo que le «pinchemos» como extra.
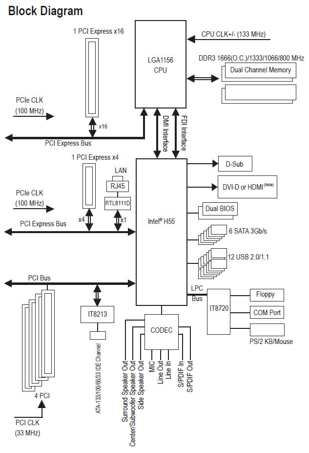
GIGABYTE GA-H55-UD3H. Diagrama Esquemático Placa Base
Por último, os dejamos con el diagrama del esquema de la arquitectura de la GA-H55-UD3H, donde gracias a ella, podemos entender cómo se comunican entre sí y a qué velocidades funcionan los bus que unen los controladores en cada apartado. Como ya hemos anotado anteriormente, el Chipset Intel H55 Express es el «centro neuronal» de toda la placa base y todo ronda en torno a él, de ahí su elevada importancia.
Tecnologías Empleadas en la Electrónica
Para finalizar con este análisis, cabe citar las tecnologías que ha empleado GIGABYTE en la electrónica de este modelo, destacando la doble onza de cobre de toda la placa base, así como todos los condensadores sólidos japoneses y los choques de ferrita, consiguiendo así mayor durabilidad, algo a lo que empezamos a acostumbrarnos. Lo único algo reprochable es que no viene refrigerada por la zona del socket, aunque como hemos podido comprobar, sin practicar overclock apenas se calienta, aunque siempre recomendemos que haya cierto caudal por la zona para renovar el aire caliente.
Esto ha sido todo, veamos ya sus Ventajas e Inconvenientes…






